| 地址 | 東京都豐島區東池袋5 | ||
| 價格 | 人民幣:1840萬 | 租金回報 | 4.08% |
| 建筑年代 | 2020年5月 | 建筑結構 | 鋼筋混凝土造 |
| 實際面積 | 311.83㎡ | 土地面積 | 93.42㎡ |
| 陽臺面積 | / | 車庫面積 | / |
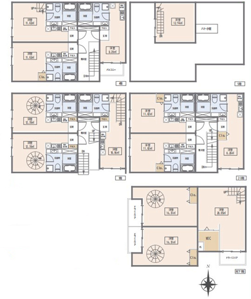
| 總戶數 | 12戶 | 所在層 | 5層付地下1層 |
| 房型 | / | 朝向 | / |
| 租賃情況 | 目前出租中 | 租金 | 約15,036,000日元/年 |
| 管理費 | / | 修繕費 | / |
| 建蔽率 | 80%.60% | 容積率 | 400%.300% |
| 用途地域 | 第一種住居地域.近鄰商業地域 | 土地權利 | 永久產權 |
| 交通 | ①東京メトロ有樂町線【東池袋】站徒步6分鐘 ②東京メトロ丸ノ內線【新大塚】站徒步8分鐘 ③JR山手線.各線【池袋】站徒步15分鐘 ④JR山手線【大塚】站徒步11分鐘 | ||
2020年5月建成,永久產權,符合新抗震標準。位于東京都島區東池袋5丁目,距最近【東池袋】站徒步6分鐘,池袋車站也在徒步范圍的優越位置,不僅交通便利,因為有陽光60大樓和其他豐富的商業設施,也是購物及外出娛樂.就餐的繁華區。公寓鋼筋混凝土造5層付地下1層,到車站一路都是平坦的道路,南西側分別道路,電氣化住宅,全12戶,室內廚具,收納,衛浴設備,室內洗衣機放置處等生活配套設備充實,目前出租中,詳情歡迎咨詢。海外客戶可以申請日本銀行貸款購房,目前有兩種方式:1.需要在日本設立公司,以法人名義購買,貸款額度約60-70%、還款周期25-35年、貸款利率1.5%起。2.個人名義購買,海外客戶可以申請日本個人抵押貸款購房,不需要設立公司,貸款額度約50-60%,還款周期15-25年,貸款年齡65歲以內,貸款額度不能低于2000萬日元,貸款利率2.7%起。
豐島區(Toshima-ku, 豊島區)是日本東京都23區之一,位于東京中央的特別區。尤其是以池袋為核心的區域,作為商業、文化和娛樂中心而聞名。以下為您介紹豐島區的特點和概況:
1. 地理與基本信息:豐島區位于東京都北部,沿山手線分布,北鄰板橋區,東接荒川區,南靠文京區,西毗新宿區。面積約13.01平方公里,2023年人口約34萬,池袋站周邊白天格外熱鬧。池袋是年輕人文化的發源地,也是動漫和御宅文化的中心。
2. 主要區域及其特色
• 池袋(Ikebukuro):池袋站是JR山手線、埼京線、東武東上線、西武池袋線、東京地鐵丸之內線、有樂町線、副都心線等多條線路交匯的大型樞紐。東口商業設施齊全,有陽光城和東口商店街等。陽光城是集摩天輪、水族館、天象館和購物中心于一體的綜合設施。西口有西武百貨、豐島園舊址(現正再開發)等。Animate池袋本店是日本最大的動漫、漫畫專賣店,是御宅文化的圣地。“御宅路”上動漫和游戲相關店鋪林立。2K540 AKI-OKA ARTISAN是利用舊山手線高架下空間打造的工藝品和設計商品銷售區。
• 巢鴨(Sugamo):有“奶奶們的原宿”之稱,有豐富的面向老年人的商品和服務,深受當地居民喜愛。高巖寺(正式名)的“地藏尊”以護身符和抽簽聞名,吸引眾多參拜者。
• 雜司谷(Zōshigaya):雜司谷鬼子母神寺是供奉保佑育兒和順產神靈的寺院,寺內有美麗的花園。都電荒川線(又稱“東京櫻花電車”)這條老式路面電車線路經過雜司谷。
• 目白(Mejiro):是寧靜的住宅區,有許多教育機構(如早稻田大學和學習院女子大學等),也分布著一些歷史建筑。目白庭園曾是舊巖崎宅邸,可欣賞美麗的園林景觀。
3. 文化與歷史:豐島區自江戶時代就已存在,特別是池袋在明治時期后隨著鐵路發展而繁榮。豐島區立鄉土資料館可以讓人們了解豐島區的歷史和文化。
4. 觀光景點:陽光60展望臺可俯瞰東京景色,夜景尤其美麗。池袋西口公園是人們休息和舉辦活動的場所。豐島園是歷史悠久的游樂園,雖正進行再開發,但仍可感受其昔日風采。
5. 交通出行:池袋站線路眾多,前往東京都內外都很方便。區內主要區域有路線巴士和社區巴士運行。主要車站有池袋站、目白站、巢鴨站等。
6. 生活環境:教育資源豐富,有早稻田大學等高等教育機構,以及眾多從小學到高中的學校。醫療設施完備,有東京女子醫科大學醫院、豐島醫院等。商業發達,池袋購物選擇多樣,百貨公司、超市、專賣店密集。
7. 活動與節慶:每年10月舉辦的池袋萬圣節變裝節,吸引眾多cosplayer。豐島園曾舉辦的花火大會(現因再開發暫停)。
8. 現代的豐島區:池袋不斷有新店和新文化誕生,尤其面向年輕人的娛樂活動豐富。再開發持續推進,將誕生新的商業設施和居住區。
總結:豐島區以池袋這一大型商業區為核心,從年輕人文化到歷史悠久的區域,充滿多樣魅力。作為御宅文化的發源地,地位頗高,有許多吸引游客和當地居民的有趣地方。生活環境良好,交通便利,無論是居住還是游覽都很適宜。如果您想了解特定區域或觀光景點的更多信息,歡迎告知。
您會在一個工作日內得到置業顧問的聯絡




